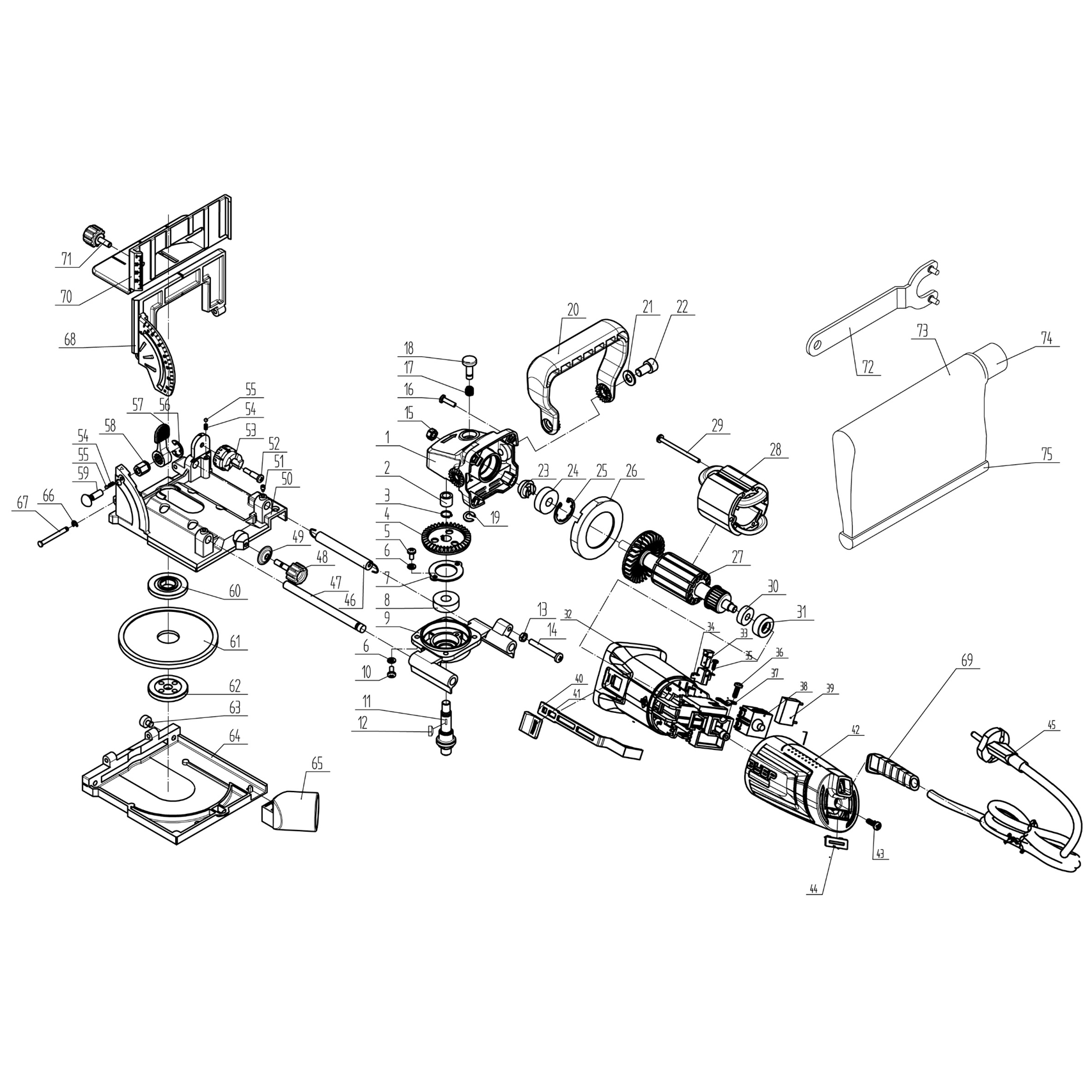
Фрезер ламельный ФПЛ-950К
Данная модель имеет несколько схем
N Артикул Название Срок отгрузки Цена Купить
T10
U009-600-0RS
Подшипник шариковый 6000-2RS (26х10х8) U009-600-0RS для пил ПД-55, ПЦ-2240
306 р.
1
N000-030-939
Корпус редуктора
466 р.
1.03
U009-629-RS0
Подшипник шариковый 629-2Z (26х9х8) U009-629-RS0
294 р.
1.09
U009-607-RS0
Подшипник шариковый 607 RS (19х7х6) U009-607-RS0 для болгарок УШМ-П125-850, AGS-125-1000
286 р.
2
U503-951-016
Втулка D12хd8х10 U503-951-016 для ФПЛ-950К, ЗУШМ-125-950_z01
115 р.
2.023
U353-110-006
Шпонка сегментная 3х10 U353-110-006 для ПБЦ-370 35П, ЗДУ-580 ЭРКМ2
92 р.
3
N000-019-884
Кольцо стопорное D10
–
4
U503-720-013
Шестерня ведомая D49хd10 Z37 U503-720-013 для ФПЛ-950К, УШМ-125-950 М3, ЗУШМ-125-800_z01
393 р.
5
N000-020-649
Винт M4x8
–
6
N000-026-846
Шайба пружинная D4
–
7
U503-951-012
Фиксатор подшипника шпинделя
25 р.
9
N000-030-940
Крышка корпуса редуктора
345 р.
10
N000-027-257
Винт
–
11
N000-030-941
Шпиндель
201 р.
13
N000-027-164
Гайка
–
14
N000-020-815
Винт M5x40
15 р.
15
UM05-001-004
Гайка M6 (автогровер)
92 р.
17
U503-140-023
Пружина стопора D9xh13 U503-140-023 для болгарок УШМ-115-800 М3, УШМ-125-950 М3
92 р.
18
N000-030-942
Стопор
43 р.
18.1
U253-600-029
Втулка подшипника 607 резиновая U253-600-029
92 р.
19
N000-019-904
Кольцо стопорное D5
–
20
N000-030-943
Рукоятка
–
21
N000-018-462
Шайба D8
–
22
N000-027-209
Болт M8х14 HEX с фланцем и шестигранной головкой
107 р.
23
U503-720-024
Шестерня ведущая D19x11,58mm, Z=12 U503-720-024 для ФПЛ-950К, УШМ-125-950 М3
265 р.
25
N000-017-189
Кольцо стопорное D26 сжимное
–
26
U503-720-028
Защита статора
94 р.
27
N000-030-944
Ротор
1.563 р.
28
U503-720-032
Статор D57.5x44
1.140 р.
29
N000-024-890
Саморез
–
32
U503-720-040
Корпус двигателя
286 р.
33
U503-720-037-W
Щетка графитовая (пара) 7.9х4.8х10.8
92 р.
34
U503-720-039
Щеткодержатель
115 р.
34
V000-003-302
Выключатель V000-003-302 для ФПЛ-950К, УШМ-П125-850, ЗУШМ-125-800_z01
330 р.
37
U253-120-047
Прижим шнура
92 р.
39
N000-019-847
Конденсатор 0.22uF
–
40
U503-720-041
Тяга выключателя
46 р.
41
N000-027-709
Клавиша (вкл/выкл) (V.2) N000-027-709
114 р.
42
U503-720-044
Крышка корпуса статора
189 р.
43
N000-023-876
Саморез
–
44
U503-720-045
Вставка
–
45
U099-004-005
Шнур сетевой резиновый 2х0.75мм 2м
189 р.
46
N000-030-945
Пружина
–
47
N000-030-946
Шток
–
48
N000-030-947
Винт-барашек
–
50
N000-030-949
Основание верхнее (элемент)
–
51
N000-018-643
Винт M4x6
–
53
N000-030-951
Упор револьверный
–
54
N000-030-952
Пружина
–
55
U261-122-013
Шарик стальной D3
84 р.
56
N000-025-279
Кольцо стопорное D8
–
57
N000-030-953
Фиксатор
–
59
N000-018-136
Болт M6х20
–
60
N000-030-955
Фланец верхний прижимной
128 р.
61
N000-030-956
Фреза
–
62
N000-030-957
Прижимной фланец нижний
116 р.
63
N000-030-958
Заглушка резиновая
–
64
N000-030-959
Основание нижнее (элемент)
683 р.
65
N000-030-960
Пылеотвод
–
66
UM06-000-002
Кольцо стопорное D3
92 р.
67
N000-030-961
Штифт
–
68
N000-030-962
Шкала угловая
–
69
U098-004-026
Воротник шнура
92 р.
70
N000-030-963
Упор высоты
–
71
N000-030-964
Винт-барашек
–
73
N000-030-965
Мешок для пыли в сборе
–